おかげさまで開設25周年BLOG.WORKFLY.PK 創業祭

BLOG.WORKFLY.PK

詳しくはこちら
マイストア マイストア 変更
  • 即日配送
  • 広告
  • 取置可能
  • 店頭受取

HOT ! ★箱説付き★バンダイ国内版インテレビジョン本体&ソフト3本つき 中古動作品現状渡

※BLOG.WORKFLY.PK 限定モデル
YouTuberの皆様に商品の使い心地などをご紹介いただいております!
紹介動画はこちら

ネット販売
価格(税込)

8119

  • コメリカード番号登録、コメリカードでお支払いで
    コメリポイント : 8ポイント獲得

コメリポイントについて

購入個数を減らす
購入個数を増やす

お店で受け取る お店で受け取る
(送料無料)

受け取り店舗:

お店を選ぶ

近くの店舗を確認する

納期目安:

13時までに注文→17時までにご用意

17時までに注文→翌朝までにご用意

受け取り方法・送料について

カートに入れる

配送する 配送する

納期目安:

2026.03.07 9:21頃のお届け予定です。

決済方法が、クレジット、代金引換の場合に限ります。その他の決済方法の場合はこちらをご確認ください。

※土・日・祝日の注文の場合や在庫状況によって、商品のお届けにお時間をいただく場合がございます。

即日出荷条件について

受け取り方法・送料について

カートに入れる

欲しいものリストに追加

欲しいものリストに追加されました

★箱説付き★バンダイ国内版インテレビジョン本体&ソフト3本つき 中古動作品現状渡の詳細情報

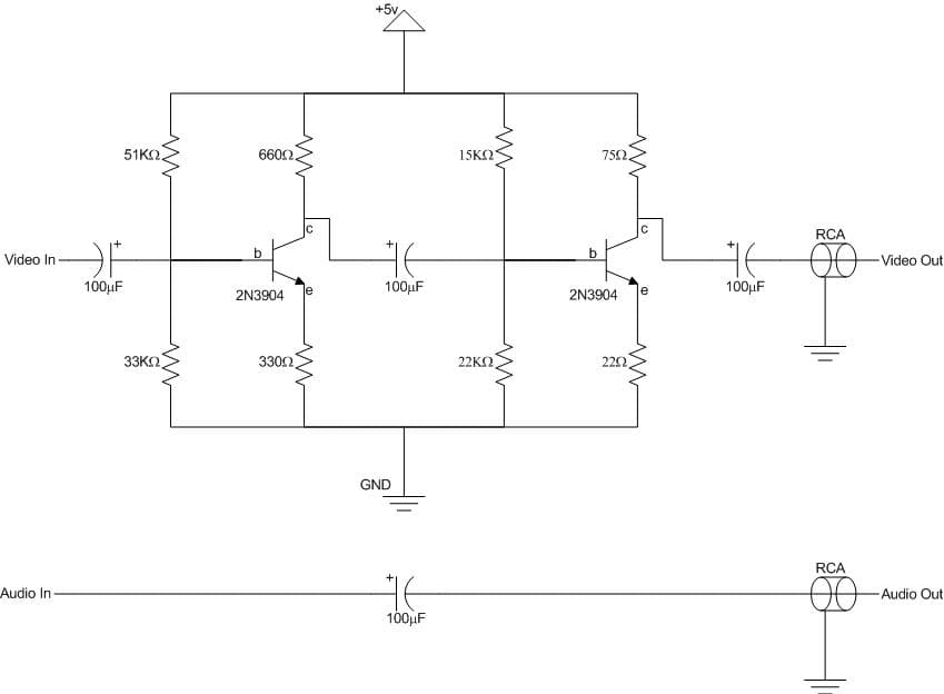
★中古品です。中古 貴重!当時モノ ファミコン ディスクシステム書き換え機型 収納ケース。神経質 潔癖症の方はトラブルのもとですので、取引はお断りします。スプラトゥーンアミーボamiiboタコガール シオカラーズ ヒレオくん。コンディションに関しては個人的感想です。きせかえプレート No.055。クレームは一切お断りします。n*u様 MOZA ダッシュモニター。★値下げ交渉不可 バラ売り、取り置き、専用にはしません。PlayStation4 コントローラー 背面パッド SCUF PRO。★古い製品のためジャンク扱い 売りっぱなし、クレーム、サポート不可 返品返金一切不可です。たまごっち 15周年 IDL ピンク パープル。(状態)中古品  箱説付き●マテル社インテレビジョン バンダイ発売国内版 箱説ソフト付き起動OK、ソフト読み込みOK1982年発売 当時価格49800円箱痛みはありますが、40年前のものにしては 本体のコンディションは良い方かと思います。任天堂switch。ただしノイズが多いです。ePICO たいけん100エディション 新古品。テレビ側で受信調整できる昭和のアナログテレビか ビデオ出力化すれば画質は上がるかと思います。自作アーケードコントローラー レバータイプ ボタン増設型 ノアール配置。AV MODの参考回路図載せておきます。銀河英雄伝説20thpack。●付属品外箱   @かなり劣化説明書  @レアな封筒つき当時物のビニール袋 @汚れてるので新品に交換しましたファミコン用 RFスイッチソフト3本 @説明書、コントローラーカード2枚付き テニス競馬スペースアルマダ★即購入OK、コメント不要、対応は夜間のみです

同じカテゴリの 商品を探す

ベストセラーランキングです

このカテゴリをもっと見る

この商品を見た人はこんな商品も見ています

近くの売り場の商品

このカテゴリをもっと見る

カスタマーレビュー

オススメ度  4.8点

現在、3628件のレビューが投稿されています。